PreviousNext
Page 267
Previous/Next Page
Technology in Australia 1788-1988Australian Academy of Technological Sciences and Engineering
----------
Table of Contents

Chapter 5

I 1788 - State Of The Art In Textile Technology

II Australian Textiles - The Early Days

III Australian Textiles - The 20th Century

IV Australian Textiles - To Date

V Acknowledgements

References

Index
Search
Help

Contact us
1788 - State Of The Art In Textile Technology

Prior to the end of the 17th Century, wool and linen were almost exclusively used for textile manufacture in Britain. Wool has in fact been used to clothe man from the end of the Stone Age -about 25,000 years ago -when the Swiss Lake Dwellers kept sheep and used their wool. Linen -made from flax -has also been found in these lake dwellings.

Although cotton was known and used in India for textile purposes as long ago as 2700 B.C., it was not introduced for cloth manufacture into England until about the 1640s. By 1712, however, raw cotton was being imported at the rate of about 2 million Ibs. a year, and about £6,000 of cotton cloth was exported annually. Throughout the 18th Century, cotton grew in importance, and most of the mechanical cloth-manufacturing devices of that century were oriented towards the fibre. By the end of the century it was the dominant fibre in England.

Meanwhile, fears were widespread that the sources of wool supply were strictly limited, and it was a frequently stated argument against the introduction of machinery that it was not possible to increase the supply of raw material. While there may have been some truth in the statement, we now know, of course, that the limit to wool production had by no means been reached at that time, and that the southern hemisphere offered a potential upon which the colonists rapidly capitalised.

As mentioned above, while the productivity of today's machines is so much greater than those of 1788, and the quality of the products so much better, the principal processes and principles underlying them have not changed significantly. This chapter is not intended to describe all technological development in textiles in detail, but manual processing and the early attempts at automation or mechanization of these hand processes serve well to impart to the reader some background to these principles, so that Australian development can be seen in perspective. In view of the obvious importance of wool to Australia, emphasis is also on this fibre, although the principles underlying cotton processing are not so different.

The first process was wool sorting, entailing separation by hand of long fibres from short fibres, and the different qualities ('sorts') of wools on different parts of the animal, for example wool from the fleece, belly, legs or other parts of the sheep contaminated by excreta, and other impurities. Raw wool contains grease, suint (perspiration salts), dirt and vegetable matter as impurities (nowadays most Australian wools contain approximately 40 per cent by weight) and the first three were removed in scouring. This was normally done by placing the wool in baskets and washing it in a stream before drying it in lofts, or in the sun.

When dry, the wool was beaten with rods to free it from dust -an operation known as willeying. It was then picked to remove any contaminant that had escaped the rods.

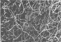
Next followed the carding or combing operations, depending on the length of the fibres concerned. Thus, short fibres were carded to produce (after spinning) woollen yarns, and long fibres were combed to produce (after spinning) worsted yarns. Nowadays, because of improvements in combing, short fibres are also used in mixture with long fibres to produce worsted yarns. The principal difference between the two types of yarns lies in the alignment of the fibres: in woollen yarns, the fibres are arranged almost haphazardly, and in worsted yarns, they are almost parallel to the yarn axis (Fig. 3).

Figure 3Figure 3

3 Electron photomicrographs showing (a) a worsted fabric and (b) a woollen fabric. With the worsted fabric, note the alignment of fibres and relative lack of end fibres protruding from the fabric structure. Together with the fineness of the fibres used in the worsted system, this is responsible for the characteristic smooth, soft feel of today's worsted fabrics. the fibres in the woollen fabric are in general disarray, reflecting the shorter processing sequence with the woollen yarns.


Previous Page Australian Academy of Technological Sciences and Engineering Next Page


© 1988 Print Edition page 257, Online Edition 2000
Published by Australian Science and Technology Heritage Centre, using the Web Academic Resource Publisher
http://www.austehc.unimelb.edu.au/tia/267.html